RADYAL FANLAR (ALUMİNYUM VE METAL GÖVDE)
CH-RADYAL
Çeşitli makine soğutmalarında , katı yakıt kazanlarında ve DC motor soğutmasında kullanıma uygundur. Sac gövdeli ve alüminyum gövdeli olmak üzere iki seri mevcuttur.
Teknik Bilgiler
| Model | Voltaj Voltage (v) | Güç Power (kW) | Devir Speed (rpm) | Debi Air Flow (m³/h) | Fiyat |
|---|---|---|---|---|---|
| CH-120 | 230 | 90 | 2400 | 380 | - |
| CH-140 | 230 | 160 | 2300 | 600 | - |
| CH-160 | 230 | 225 | 2200 | 750 | - |
| CH-A 120 | 230 | 90 | 2400 | 380 | - |
| CH-A 140 | 230 | 160 | 2300 | 600 | - |
| CH-A 160 | 230 | 225 | 2200 | 750 | - |
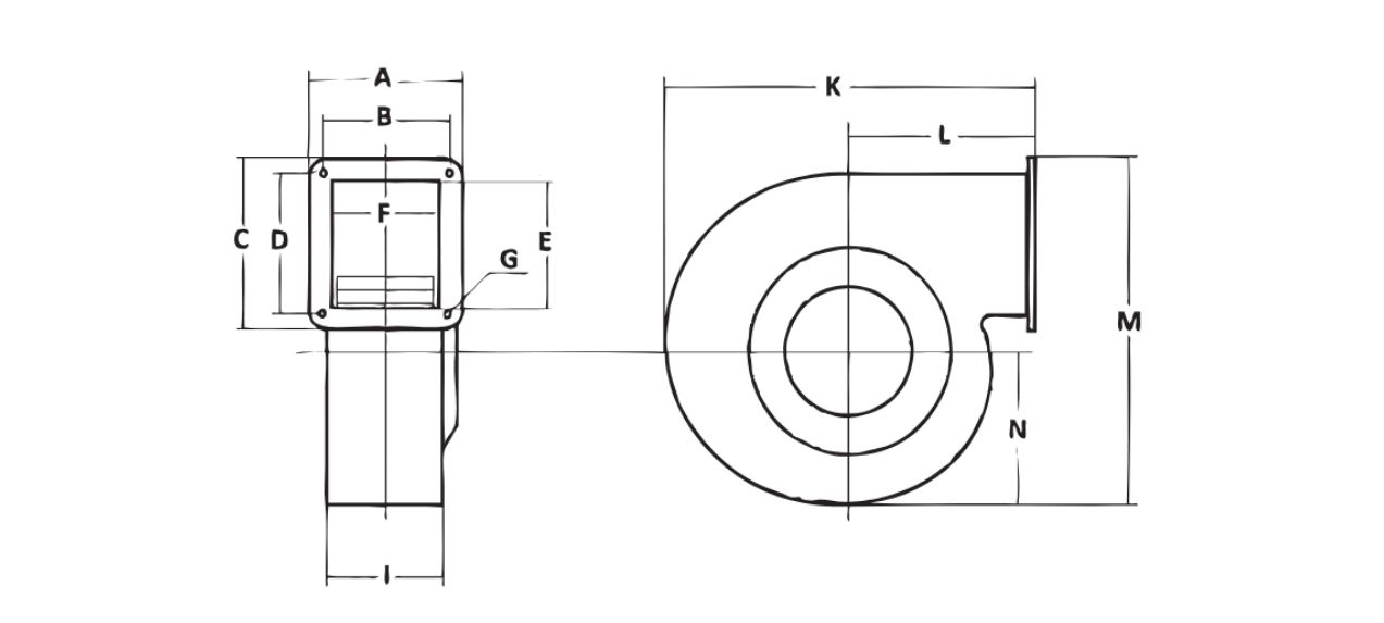
| Model | A | B | C | D | E | F | G | I | K | L | M | N |
|---|---|---|---|---|---|---|---|---|---|---|---|---|
| CH 120 | 115 | 97 | 90 | 65 | 65 | 80 | 7 | 95 | 185 | 105 | 190 | 80 |
| CH 140 | 128 | 110 | 128 | 112 | 95 | 85 | 7 | 95 | 220 | 110 | 265 | 100 |
| CH 160 | 128 | 110 | 128 | 112 | 95 | 85 | 7 | 95 | 230 | 125 | 265 | 105 |
| CH-A 120 | 110 | 100 | 80 | 67 | 50 | 75 | 6 | 100 | 174 | 90 | 185 | 80 |
| CH-A 140 | 130 | 110 | 118 | 102 | 90 | 90 | 6 | 98 | 225 | 110 | 260 | 105 |
| CH-A 160 | 130 | 110 | 118 | 102 | 90 | 90 | 6 | 98 | 225 | 110 | 260 | 105 |
TEKNİK ÖLÇÜLER